
Тросовая трубка автомобильного тормоза имеет трехслойную композитную структуру, состоящую из внутренней трубки из политетрафторэтилена (ПТФЭ), спиральной стальной проволоки и внешнего слоя из поливинилхлорида (ПВХ). Благодаря точным производственным процессам внутренняя трубка обеспечивает плавную работу и снижает уровень шума, а внешний слой обеспечивает полное покрытие и поверхность без трещин.
Тросовая трубка автомобильного тормоза подходит для тормозных тросов (включая удлинители тросов стояночного тормоза) и тросов управления дроссельной заслонкой в моторном отсеке, обеспечивая точную передачу натяжения, необходимого для торможения и управления дроссельной заслонкой. Благодаря превосходной прочности на растяжение и кручение спиральной стальной проволоки в сочетании с термостойкостью и устойчивостью к воздействию среды внутренней трубки из ПТФЭ, этот продукт полностью отвечает жестким эксплуатационным требованиям сложных условий моторного отсека и тросов с большим ходом.
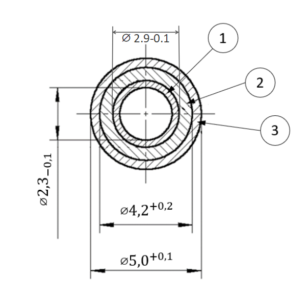
Схема размеров изделия:


Технические характеристики изделия:
| Номер детали | Внутренний диаметр (мм) | Внешний диаметр (мм) |
| Φ1.8*5 | 1,8±0,1 | 5,0±0,1 |
| Φ2.3*5 | 2,3±0,1 | 5,0±0,1 |
Технические параметры:
| / | Φ1.8*5 | Φ2.3*5 |
| Элемент | Технические требования | |
| Спиральная стальная проволока | EN 10264-2-1.2-U-1570 | |
| Твердость ПВХ-покрытия | 80±3 (Шор А) | 80±5 (Шор А) |
| Диапазон рабочих температур | -40°C – 90°C | |
| Стандарт обработки | Вертикальная прямолинейная резка, отсутствие заусенцев на внутренней и внешней поверхностях. | |